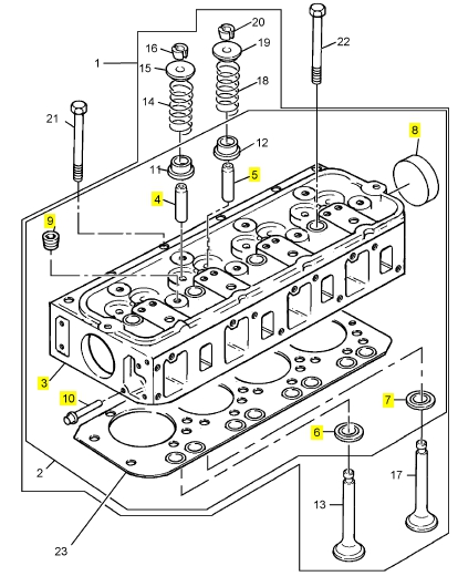
英國(guó)珀金斯柴油機(jī)配件ZZ80264 汽缸蓋總成
項(xiàng)目 零配件號(hào)碼 最近的部分號(hào)碼
1 ZZ80264 1 ZZ80264 汽缸蓋組合
21 3218 A506 14 3218 A506 螺旋
22 3218 J605 4 3218 J605 螺旋
23 3681 E029 1 3681 E029 密合墊 - 汽缸蓋

項(xiàng)目 零配件號(hào)碼 最近的部分號(hào)碼
2 1 汽缸蓋組合
2 1 汽缸蓋
11 2418 M508 4 2418 M508 氣門油封
12 2418 M508 4 2418 M508 氣門油封
13 3142 A101 4 3142 A101 排氣閥
14 3174 P408 4 3174 P408 閥彈簧
15 3342 T011 4 3342 T011 帽
16 3142 W003 8 3142 W003 閥筒夾
17 3142 H051 4 3142 H051 吸入口閥
18 3174 P408 4 3174 P408 閥彈簧
19 3342 T011 4 3342 T011 帽
20 3142 W003 8 3142 W003 閥筒夾

項(xiàng)目 零配件號(hào)碼 最近的部分號(hào)碼
3 1 汽缸蓋
4 3318 A703 4 3318 A702 氣門導(dǎo)管
5 3318 A703 4 3318 A702 氣門導(dǎo)管
6 3314 A031 4 3314 A031 氣門座圈
7 3314 A041 4 3314 A041 氣門座圈
8 32416117 2 32416117 栓塞
9 2431154 4 2431154 栓塞
10 2485 A204 1 2485 A304 栓塞
